Optimisation de l’observation des défauts de vis (renfoncements, rayures, fissures et courbures)
Les vis sont utilisées pour assembler mécaniquement des pièces sur la quasi-totalité des produits industriels. Ces composants doivent être d’une qualité et d’une fiabilité irréprochables, non seulement en automobile et en aérospatiale, deux secteurs où la précision et la durabilité des vis ont un impact direct sur la sécurité, mais dans pratiquement toute industrie, de la construction à l’électronique.
Cette section récapitule toutes les connaissances indispensables sur les vis et vous présente des exemples d’utilisation de notre microscope numérique 4K pour optimiser et rationaliser l’observation et la mesure des défauts affectant les vis, autant d’améliorations particulièrement intéressantes en recherche et développement et en assurance qualité.

- Tout savoir sur les vis (nomenclature et dimensions des parties, normes et matériaux)
- Exemples d’optimisation et de rationalisation de l’observation et de la mesure des défauts affectant les vis
- Un microscope 4K qui optimise l’observation et l’analyse des vis
Tout savoir sur les vis (nomenclature et dimensions des parties, normes et matériaux)
Une vis est un composant de fixation possédant une rainure en spirale le long de sa tige cylindrique. En règle générale, on désigne par vis, la vis utilisée seule et par boulon la vis combinée à un écrou. La vis à bois se termine par une pointe et est utilisée en menuiserie. Il s’agit là d’un exemple parmi une multitude d’autres car les vis se déclinent en diverses formes et divers matériaux, répondant à diverses normes en fonction des pièces et applications auxquelles elles sont destinées. Retrouvez ci-dessous toutes les connaissances indispensables sur les vis, telles que la nomenclature et les dimensions des parties et les normes applicables aux principaux types de vis.
Nomenclature et dimensions des parties d’une vis
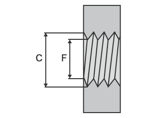
Les noms des principales parties d’une vis (mâle) sont indiqués sur le schéma ci-dessous.

En règle générale, la longueur d’une vis mâle est appelée longueur nominale et se réfère à la longueur sous tête (E sur le schéma). Toutefois, la définition varie selon le type de vis et la forme de la tête. Par exemple, la longueur totale (F dans le schéma) correspond à la longueur nominale sur une vis à tête fraisée, dont la tête est parfaitement alignée avec le support après vissage maximal.
Si la tête est suivie d’une partie non filetée, cette partie est appelée fût. Le fût inclut la partie du filetage sur laquelle des creux et crêtes incomplets se forment lors de l’usinage.
Les schémas ci-dessous indiquent les dimensions de filetage les plus courantes (pour vis mâle et femelle).


- A
- Diamètre maximal : Diamètre entre les filets d’une vis mâle. Il s’agit du diamètre nominal qui indique l’épaisseur de la vis.
- B
- Diamètre effectif : Diamètre du cylindre imaginaire passant par les filets de telle manière que la largeur du filet est égale à celle de la rainure.
- C
- Diamètre à fond de filet : Diamètre entre le fond d’une rainure et le fond de la rainure suivante sur une vis mâle/femelle.
- D
- Angle du filet : Angle d’ouverture de la crête d’un filet à ses rainures adjacentes.
- E
- Pas : Distance entre deux crêtes de filet adjacentes.
- F
- Diamètre maximal : Diamètre entre les filets d’une vis femelle.
Normes applicables aux vis
Les vis sont régies par de nombreuses normes, stipulant toutes des dimensions, des définitions et une terminologie différente. Cette sous-section vous présente les principales normes, définitions et notations applicables aux vis.
- Filetage métrique
- Se réfère aux vis possédant un angle de filet de 60° et dont les dimensions nominales et le pas de filetage s’expriment en millimètres. Le filetage métrique se décline en filetage à pas grossier et filetage à pas fin selon le pas entre les filets.
Il s’exprime comme suit : « diamètre nominal de la vis × son pas. » Le diamètre maximal entre les filets (en millimètres) est indiqué après la lettre M. Par exemple, M10 désigne une vis ayant un diamètre nominal de 10 mm. Le filetage à pas grossier est considéré standard. Un filetage à pas fin, désignant un écart plus réduit entre les filets, est exprimé comme suit : « MXX × le pas ». - Filetage unifié
- Se réfère aux vis possédant un angle de filet de 60°, égal à celui du filetage métrique, mais dont les dimensions nominales s’expriment en pouces. Le pas de filetage indique le nombre de filets dans un pouce. Le filetage unifié est parfois appelé filetage en pouces ou filetage américain et est notamment utilisé en aérospatiale. Le filetage unifié se décline en filetage à pas grossier (UNC), dimensions standard, et filetage à pas fin (UNF).
Il s’exprime comme suit : « Diamètre maximal de la vis (numéro de vis) - (tiret) nombre de filets par pouce, type de vis (UNC ou UNF) ». Par exemple, « 1/4-20UNC » désigne une vis à filetage unifié à pas grossier possédant un diamètre maximal de 1/4 de pouce et 20 filets par pouce.
Matériaux des vis et propriétés
De même qu’il existe une multitude de types de vis et de filetages et autant de normes applicables, leurs matériaux de composition sont tout aussi variés. Les matériaux des types de vis les plus courants et leurs principales propriétés sont détaillés ci-après.
- Acier
- Les principaux aciers utilisés pour la fabrication de vis sont listés ci-dessous.
- Acier au carbone : Il s’agit de l’alliage fer/carbone le plus communément utilisé pour la fabrication de vis. Le S45C (possédant une teneur en carbone d’environ 0,45%) est un alliage fer/carbone solide et résistant, utilisé pour les structures mécaniques et notamment la fabrication de vis.
- Acier allié : Formé par l’ajout de molybdène (Mo) ou de chrome (Cr), ce matériau est employé dans la fabrication de boulons et autres produits requérant une résistance élevée.
- Acier inoxydable : Offrant généralement une excellente résistance à la corrosion et des propriétés mécaniques remarquables, ce matériau est catégorisé selon sa structure qui se modifie sous l’effet d’un traitement thermique, par exemple Cr (Cr martensitique/18Cr ferritique) et Cr-Ni (18-8 austénitique). L’acier inoxydable austénitique est le plus utilisé pour la fabrication de vis.
- Cuivre/Alliage de cuivre
- Bien que ce matériau possède une moindre résistance mécanique, sa malléabilité ainsi que sa conductivité thermique et électrique, sa ductilité et sa résistance à la corrosion remarquables en font un matériau de choix pour la fabrication de vis. Il est principalement employé pour fabriquer les vis de fixation de bornes. Le cuivre pur est catégorisé selon sa teneur en oxygène (selon la pureté du cuivre) en cuivre contenant de l’oxygène (pureté de 99,5%), cuivre désoxygéné (cuivre contenant de l’oxygène ayant subi une fragilisation par l’hydrogène) et cuivre sans oxygène (pureté élevée de 99,995%). Plus abordable, le cuivre contenant de l’oxygène est le plus couramment utilisé pour la fabrication de vis.
- Aluminium/Alliage d'aluminium
- Les vis en aluminium sont environ 1/3 plus légères que les vis en acier. L’aluminium est également connu pour sa résistance à la corrosion et sa conductivité thermique et est relativement aisé à recycler, un atout non négligeable pour la protection de l’environnement. En revanche, il se révèle relativement fragile par rapport à l’acier. Les vis en aluminium peuvent être soumises à un traitement thermique pour renforcer leur surface et améliorer leur résistance, permettant de profiter de tous les avantages du matériau sans en subir les inconvénients.
- Titane/Alliage de titane
- Les vis en titane sont environ 60% plus légères que les vis en acier, tout en démontrant une excellente résistance à la corrosion et à la chaleur et une solidité similaire à celle de l’acier au carbone. Toutefois, le titane est difficile à usiner et très onéreux. Le titane (titane pur) et l’alliage de titane possèdent des propriétés différentes. Leurs principales applications sont listées ci-dessous.
- Titane : Résistance élevée à la corrosion et non toxique pour le corps humain. Son excellente biocompatibilité fait du titane le matériau idéal pour la fabrication de boulons médicaux et autres applications sensibles.
- Alliage de titane : Affichant un excellent rapport résistance-poids, ce matériau est couramment employé dans l’aérospatiale. Cependant, la difficulté de son usinage fait grimper le prix unitaire des vis.
- Magnésium/Alliage de magnésium
- Le poids du magnésium représente approximativement 1/4 de celui de l’acier et 2/3 de celui de l’aluminium, permettant la fabrication de vis extrêmement légères. Outre sa légèreté, l’alliage de magnésium possède une résistance spécifique élevée, d’excellentes capacités de blindage électromagnétique, de dissipation thermique et d’absorption des vibrations, et offre l’avantage d’échapper à la corrosion électrolytique en cas de fixation à un boîtier composé du même matériau. De ce fait, il est employé dans de nombreux domaines, de l’automobile à l’aéronautique en passant par les composants électriques. Ceci étant, il affiche également quelques propriétés médiocres, telles qu’une faible résistance à la corrosion et une difficulté d’usinage, qui le rendent impropre à l’utilisation dans certains environnements et doivent être améliorées par un traitement de surface.
- Plastique
- Malgré sa forte résistance, le plastique demeure léger et malléable. Il offre différentes propriétés selon son type, telles que la résistance à la corrosion et la résistance aux produits chimiques. Les vis peuvent être fabriquées en différents types de plastique selon l’application. Par exemple, le PP (polypropylène) possède une faible densité relative et est résistant à la dégradation hydrolytique et le POM (polyacétal) possède des propriétés mécaniques bien équilibrées et une excellente résistance aux produits chimiques.
Exemples d’optimisation et de rationalisation de l’observation et de la mesure des défauts affectant les vis
À quelques exceptions près, les vis, boulons, écrous et rondelles sont des objets métalliques tridimensionnels. De ce fait, dans la plupart des cas, il est difficile d’observer des renfoncements, rayures, fissures et autres défauts d’aspect qui altèrent la qualité ou encore des défauts de forme tridimensionnelle car l’image obtenue demeure en partie floue et la brillance de la pièce ou le faible contraste du défaut avec l’arrière-plan complique la détermination des conditions d'éclairage optimales. De plus, les systèmes de mesure à contact et les microscopes optiques peinent à mesurer avec précision les formes tridimensionnelles et les valeurs obtenues varient souvent d’un opérateur à l’autre.
Le microscope numérique 4K Série VHX de KEYENCE est un système d’observation qui combine commande électronique et technologies avancées, telles qu’un objectif HR haute résolution et un capteur d’image CMOS 4K, pour réaliser l’observation et la mesure 2D et 3D en quelques étapes intuitives à partir d’images haute résolution 4K. Solution à de nombreux problèmes, il optimise l’observation, réalise des mesures quantifiées et rationalise les opérations pour un gain de temps considérable.
Observation de filetages avec inclinaison
Le système d’observation orientable selon un angle libre du microscope numérique 4K Série VHX permet d’observer des renfoncements et rayures microscopiques avec précision quel que soit le facteur de grossissement et sous n’importe quel angle, sans avoir à manipuler la vis.
La grande profondeur de champ garantit une observation rapide du défaut sur des images entièrement nettes de la totalité du champ de vision, évitant toute mise au point fastidieuse même sur cible tridimensionnelle.



Observation de la courbure d’écrous
Le microscope numérique 4K Série VHX est équipé du mode effet d’ombre optique, qui capture, d’une simple pression sur un bouton, une image à fort contraste sans vide requis. Il est possible d’observer de subtiles irrégularités de surface sur du métal, habituellement difficiles à déceler en raison de leur faible contraste.
Les informations de couleur de la cible peuvent être superposées à l’image du mode effet d’ombre optique, pour contrôler simultanément l’irrégularité de la surface et ses nuances. En outre, comme illustré ci-dessous, la fonction de cartographie couleur permet d’appliquer un code couleur aux plus infimes différences de hauteur de l’image, pour afficher et mieux comprendre la courbure d’un petit écrou.
Avec la Série VHX, les mesures 2D et 3D sont exécutées directement sur les images haute résolution 4K. Les données de profil de la zone spécifiée sont acquises lors de la mesure 3D. Enfin, le système crée automatiquement un rapport combinant images d’observation et valeurs mesurées.


cartographie couleur de l'image en mode effet d’ombre optique (20x)
Un microscope 4K qui optimise l’observation et l’analyse des vis
Le microscope numérique 4K Série VHX optimise non seulement l’observation grâce à des images 4K entièrement nettes mais également l’analyse grâce à ses divers systèmes et fonctions.
Le système d’observation orientable selon un angle libre facilite l’alignement, la rotation et le mouvement oblique du champ de vision. Sa conception eucentrique permet de maintenir la cible au centre du champ de vision, même en cas d’inclinaison ou de rotation de l’objectif. L’observation sous tous les angles des cibles tridimensionnelles microscopiques, telles que les défauts affectant les vis, est plus fluide.
Les opérations les plus délicates, à l’instar de l’observation et de la visualisation de minuscules rayures ou d’infimes irrégularités de surface, telles qu’une courbure, sont à présent réalisées en toute simplicité grâce au mode effet d’ombre optique, qui capture des images à fort contraste.
Outre une observation et une analyse quantifié et optimisée, si essentielles en recherche et développement et en assurance qualité, la Série VHX garantit un gain de temps non négligeable, un fonctionnement intuitif sans connaissances spécifiques et de nombreux autres avantages. Pour en savoir plus sur le produit ou pour toute demande, cliquez sur les boutons ci-dessous.


