Observation et mesure après projection thermique au microscope numérique
La projection thermique est un traitement de surface qui produit une couche fonctionnelle sur la surface des pièces par projection d’un matériau fondu, tel que du métal, de la céramique et du cermet. Cette technique permet notamment d’améliorer la résistance à l’usure, la résistance à la corrosion et les propriétés isolantes et de restaurer les dimensions. Retrouvez, dans cette section, des exemples d’observation et de mesure de surfaces et de revêtements appliqués par projection thermique au microscope numérique.

- Qu’est-ce que la projection thermique ?
- Caractéristiques de la projection thermique
- Fonctions et effets de la projection thermique
- Méthodes de projection thermique les plus courantes
- Exemples d’observation et de mesure après projection thermique au microscope numérique
Qu’est-ce que la projection thermique ?
La projection thermique est une technique de modification de surface, qui produit un revêtement fonctionnel par application de matériau sous forme de gouttelettes. Le matériau, par exemple, du métal, de la céramique ou du cermet, est projeté sur la surface de la pièce au moyen d’un gaz ou d’électricité. Les gouttelettes fondues projetées refroidissent instantanément pour former un revêtement fonctionnel.
Caractéristiques de la projection thermique
- Il est possible de traiter toute surface, quel que soit son matériau de composition, métal, céramique, plastique, etc.
- Il existe un large choix de matériaux de projection, tels que le métal, la céramique et le cermet.
- L’effet thermique est faible n’entraînant pratiquement aucune déformation thermique.
- Il n’existe aucune restriction quant aux dimensions des pièces.
- La projection thermique peut être ciblée sur les zones souhaitées.
- Les objets fixes, tels que les piliers peuvent être traités directement sur site.
Fonctions et effets de la projection thermique
- Prévention de la rouille, prévention de la corrosion, résistance aux produits chimiques
- Prévention de la corrosion liée à la formation de rouille en cas d’usage extérieur et de la corrosion liée à des réactions chimiques
- Résistance à la chaleur, isolation thermique
- Prévention de la corrosion liée aux températures élevées et de l’augmentation de la température à la surface des pièces
- Lubrification, résistance à l’usure
- Les revêtements poreux assurent une excellente lubrification, améliorant la durée de vie.
- Conductivité, isolation
- La projection de métal améliore la conductivité et la projection de céramique améliore l’isolation.
- Restauration des dimensions
- Il est possible de restaurer les pièces endommagées par l’usure ou la corrosion et de corriger les dimensions en superposant les matériaux.
- Traitement anti-adhérence
- Prévention de l’adhérence aux matériaux collants
Méthodes de projection thermique les plus courantes
Projection oxygène-carburant
- Projection à la flamme
- Cette méthode de projection thermique consiste à faire fondre et propulser le matériau via la combustion d’un air rempli de gaz combustibles, tels que l’acétylène et l’oxygène. Elle se décline en deux variantes : avec poudre et avec fil.
- Projection à la flamme à haute vitesse
- Cette méthode permet au matériau d’entrer en collision avec la surface de la cible à une vitesse supersonique par combustion de carburant liquide (kérosène) et d’oxygène pour former le revêtement.
Projection électrique
- Projection à l’arc électrique
- Cette méthode de projection thermique génère un arc entre les extrémités de deux fils métalliques (matériau de projection thermique) afin de les faire fondre, puis souffle le matériau fondu via un jet d’air comprimé.
- Projection par plasma
- Cette méthode de projection thermique consiste à alimenter une flamme de plasma en matériau de projection thermique pour projeter le matériau contre la surface de la cible à une vitesse supersonique et former le revêtement.
Exemples d’observation et de mesure après projection thermique au microscope numérique
Voici les derniers exemples d’observation et de mesure après projection thermique réalisés au microscope numérique 4K Série VHX de KEYENCE.

VHX-E20, 80×, éclairage annulaire
Gauche : image normale
Droite : image en mode d’ombres accentuées

VHX-E100, 300×, éclairage coaxial
Gauche : Image normale
Droite haut : image en mode d’ombres accentuées
Droite bas : cartographie couleur
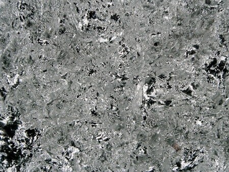
Observation de surface après projection thermique
ZS-200, 200×, éclairage annulaire, éclairage multiple


Observation de rayures sur un revêtement appliqué par projection thermique
ZS-20, 150×, éclairage annulaire + éclairage multiple


Observation d’un revêtement appliqué par projection thermique
VH-Z500, 500×, éclairage coaxial + HDR


Mesure d'épaisseur d’un revêtement appliqué par projection thermique
ZS-200, 1000×, éclairage coaxial



