Optimisation de l’observation et de l’analyse des cristaux (acides aminés, protéines et autres substances)
Les industries alimentaire et pharmaceutique fabriquent des produits directement ingérés par l’humain, exigeant une sécurité et une qualité de très haut niveau.
Un contrôle et une assurance qualité rigoureux sont ainsi appliqués à chacune des étapes de fabrication, impliquant un examen minutieux des cristaux de chaque ingrédient, de la réception des matières premières cristallisées ou du processus de cristallisation à l’observation et l’analyse des cristaux après traitement.
Cette section vous présente des exemples d’applications de notre microscope numérique 4K, qui optimise l’observation et l’analyse, habituellement fastidieuses et chronophages, des cristaux.

- Qu’est-ce qu’un cristal ?
- Importance des cristaux et problèmes d’observation et d’analyse
- Exemples d’applications de notre microscope numérique 4K, qui résout les problèmes de l’observation et de l’analyse des cristaux
- Un microscope numérique 4K qui optimise l’observation et l’analyse des cristaux à toutes les étapes de fabrication des aliments et produits pharmaceutiques
Qu’est-ce qu’un cristal ?
Un cristal est une substance solide dont les constituants (atomes, molécules ou ions) s’assemblent de manière régulière, suivant un motif identique et maintes fois répété, pour former une maille. La disposition des atomes d’un cristal est appelée structure cristalline et son unité minimale dans un motif répété de façon régulière, est appelée cellule cristalline. Outre les atomes et molécules inorganiques, la cristallisation peut aussi toucher des protéines possédant plus d’un million de molécules.
Un cristal classique est dit polyèdre, c’est-à-dire qu’il se compose de plusieurs faces planes se rencontrant en différents angles en formant des arêtes acérées. De nombreux cristaux sont anisotropes, démontrant différentes propriétés (indice de réfraction, élasticité, etc.) selon la direction considérée.
Importance des cristaux et problèmes d’observation et d’analyse
Dans les industries alimentaire et pharmaceutique, de nombreux ingrédients pharmaceutiques actifs et substances, tels que les protéines, acides aminés et l’amidon, sont utilisés sous forme de cristaux lors du processus de fabrication des produits. L’utilisation de cristaux peut contribuer à améliorer la qualité des produits, incitant de plus en plus de fabricants à exploiter des procédés de cristallisation ou à se fournir en cristaux. Lors de la fabrication de produits à partir de cristaux, le degré de pureté, la forme, la distribution granulométrique, la solubilité, les caractéristiques de débit et d’autres facteurs influent considérablement sur le maintien et l’amélioration de la qualité.
De nombreuses caractéristiques des cristaux découlent des atomes ou molécules qui les composent ou de la position relative de ces atomes ou molécules dans la structure cristalline. Ces caractéristiques se manifestent de manière anisotrope, en particulier en ce qui concerne les propriétés optiques, telles que l’indice de réfraction, le coefficient d’absorption, l’angle de rotation optique et le taux de dépolarisation. Pourtant, l’évaluation des cristaux réceptionnés ou des résultats du processus de cristallisation repose essentiellement sur l’observation et l’analyse de l’aspect, de la forme, de la distribution granulométrique et d’autres paramètres types des cristaux.
L’observation et l’analyse de ces paramètres s’avère néanmoins difficile car les cristaux sont des cibles minuscules présentant une forme tridimensionnelle complexe et différents degrés de transparence, de réfraction ou de réflexion diffuse de la lumière. Voici quelques-uns des problèmes d’observation les plus fréquents.
- En raison de la forme tridimensionnelle des cristaux, les microscopes peinent à capturer une image entièrement nette sous fort grossissement.
- Les multiples angles des cristaux génèrent une réflexion diffuse qui complique la détermination des conditions d’éclairage optimales.
- De nombreux cristaux affichent un très faible contraste, gênant la capture de leurs contours.
- L’analyse et l’évaluation quantitatives sont entravées par les facteurs ci-dessus.
Découvrez à présent des exemples d’applications de notre microscope numérique 4K, qui optimise, quantifie et rationalise l’observation et l’analyse des cristaux en résolvant tous les problèmes précédemment cités.
Exemples d’applications de notre microscope numérique 4K, qui résout les problèmes de l’observation et de l’analyse des cristaux
Afin de résoudre les problèmes rencontrés lors de l’observation et de l’analyse de cibles aussi complexes que les cristaux, KEYENCE est à l’écoute de ses clients depuis plus de 30 ans pour développer de nouveaux microscopes numériques qui répondent à tous leurs besoins.
Le microscope numérique 4K Série VHX est notre dernière innovation. Ce microscope intègre un système d’observation haute performance qui propose une multitude de fonctions accessibles de manière parfaitement intuitive, pour une utilisation à la portée de tous, sans connaissances spécifiques.
Retrouvez des exemples d’utilisation de la Série VHX pour l’observation et l’analyse des cristaux.
Observation et analyse de cristaux d’ingrédients pharmaceutiques actifs et création de rapports
Les cristaux d’ingrédients pharmaceutiques actifs, utilisés dans la fabrication de médicaments, possèdent une forme tridimensionnelle, empêchant bien souvent l’obtention d’une image entièrement nette. De plus, la transparence et la réfraction de la lumière caractéristiques des cristaux, diminuent leur contraste à l’observation, gênant l’examen détaillé de leurs contours.
Le microscope numérique 4K Série VHX propose une multitude d’éclairages différents, facilitant la détermination rapide des conditions d’observation optimales. Sa fonction d’éclairage multiple, qui capture automatiquement plusieurs images sous différents éclairages d’une simple pression sur un bouton, simplifie encore la procédure. Il suffit de sélectionner l’image la mieux adaptée à l’objectif visé, parmi toutes les images capturées, pour démarrer immédiatement l’observation des cristaux sur des images haute résolution 4K.
Toutes les images capturées sont enregistrées, permettant d’observer ultérieurement la cible sous un éclairage différent.
De plus, les conditions d’éclairage appliquées lors de la capture d’une image précédente peuvent être reproduites, par simple sélection de cette image. Un échantillon différent du même type de cible peut ainsi être observé dans des conditions identiques un autre jour, à une autre heure et par un autre opérateur.


La Série VHX vous permet également de passer en toute fluidité de l’observation à l’analyse de la taille des grains cristallins. En quelques étapes intuitives, la fonction de comptage/mesure automatique de surface applique une binarisation sur la surface spécifiée selon un seuil prédéfini. La mesure de surface et le comptage des cristaux s’exécutent alors automatiquement.
Cette fonction mesure, calcule et compte automatiquement des valeurs détaillées, telles que le nombre, la surface moyenne, l’écart-type, la valeur maximale, la valeur minimale, le rapport de surface et autres données relatives aux cristaux dans une zone spécifiée, ainsi que la surface, le périmètre, le diamètre maximal et le diamètre minimal des cristaux eux-mêmes, puis les affiche sous forme de liste. Dans la zone spécifiée, il est possible d’exclure les cibles inutiles et de séparer les cibles qui se chevauchent, pour une analyse haute précision.

Enfin, Excel peut être installé directement sur la Série VHX, permettant la création automatique de rapports détaillés par simple transfert des images capturées et des valeurs mesurées vers des modèles préalablement mis en page.
Ces fonctions avancées optimisent et accélèrent toute une série d’opérations, de l’observation à l’analyse et jusqu’à la création de rapports, pour une efficacité sans précédent.

Observation à haut niveau de contraste de cristaux d’amidon
Les cristaux d’amidon présentent un haut degré de transparence produisant un faible contraste à l’observation. L’examen des contours et formes du cristal est donc difficile.
Outre le rétroéclairage qui éclaire la cible par transmission, le microscope numérique 4K Série VHX est équipé d’une fonction HDR (haute plage dynamique), qui capture plusieurs images en faisant varier la vitesse d’obturation et les assemble en une seule image, riche en nuances. Cette fonction permet de capturer des images haute résolution 4K à fort contraste, même sur des cibles aussi peu contrastées que les cristaux d’amidon, garantissant une observation détaillée des contours et textures.


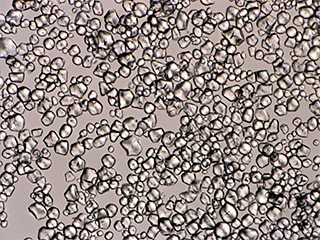
Observation de cristaux d’acides aminés et de protéines
Le microscope numérique 4K Série VHX, qui combine haute résolution et grande profondeur de champ, est équipé d’une unité d’éclairage polyvalente et haute performance. Cette unité propose de nombreux modes d’éclairage : par transmission (rétroéclairage), coaxial ou encore polarisé.
De plus, la fonction d’éclairage multiple, qui capture automatiquement plusieurs images sous différents éclairages, affiche rapidement les conditions d’éclairage optimales pour chaque cristal.
Le système d’observation avancé et convivial de la Série VHX permet d’observer facilement sur image haute résolution 4K des cristaux à l’aspect variable, tels que les cristaux d’acides aminés et de protéines, habituellement difficiles à examiner.


Un microscope numérique 4K qui optimise l’observation et l’analyse des cristaux à toutes les étapes de fabrication des aliments et produits pharmaceutiques
Il est difficile de déterminer les conditions de capture des cristaux et leur observation et leur analyse sont particulièrement chronophages et fastidieuses. Comme démontré dans les exemples précédents, le microscope numérique 4K Série VHX optimise considérablement ces étapes clés.
Combinant un système optique et un capteur d’image CMOS 4K, qui capturent des images haute résolution 4K, un système d’éclairage polyvalent, parfaitement adapté à la transparence des cristaux, et un système d’observation, proposant une multitude de fonctions aisément accessibles, la Série VHX améliore sensiblement l’observation des cristaux.
Notre microscope exécute un comptage et une mesure de surface automatiques des cristaux dans la totalité du champ de vision et permet également la création automatique de rapports, pour une efficacité sans précédent.
Équipée de nombreuses autres fonctions avancées, la Série VHX simplifie toute une série d’opérations d’observation et d’analyse essentielles dans les industries alimentaire et pharmaceutique.
Pour plus d’informations ou pour toute demande concernant la Série VHX, cliquez sur les boutons ci-dessous.


