État au minimum de matière (LMC)
L’état au minimum de matière est employé pour gérer la dimension et la position de trous, ainsi que l’épaisseur du matériau.
Par exemple, si une pièce présente un trou dont la dimension et la position sont imprécis à l’état au minimum de matière (le trou est à la taille maximale), la pièce n’offrira pas la résistance attendue et risque de se rompre. L’exigence du minimum de matière permet de définir les conditions indispensables à cette résistance.
- Utiliser l’état au minimum de matière
- Qu’est-ce que ?
- Exemple d’indication de l’état au minimum de matière
Utiliser l’état au minimum de matière
Lorsqu’un trou de grand diamètre (dimension au minimum de matière) est positionné à proximité du bord d’une pièce, la résistance de ladite pièce est compromise. À l’inverse, un petit trou (état au maximum de matière), même localisé en périphérie ne met aucunement en péril la résistance de la pièce.

- a
- Le trou est si près du bord que la pièce risque de se rompre.
Qu’est-ce que ?
Afin d’appliquer l’exigence du minimum de matière à une dimension, inscrivez après la tolérance dimensionnelle dans le cadre de tolérance. Dans certains cas, ce symbole peut suivre une lettre de référence spécifiée. « L » se rapporte à l’« état au minimum de matière » (LMC). Ce symbole indique l’application de l’exigence du minimum de matière.

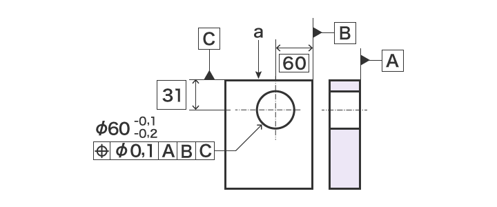
Exemple d’indication de l’état au minimum de matière
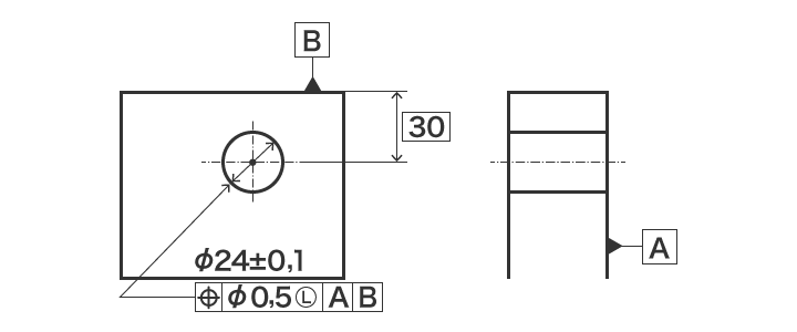
Le dessin suivant illustre un exemple d’indication de l’état au minimum de matière applicable au bord et au trou lorsque l’épaisseur minimale est indiquée par la localisation.
Si est appliqué à la zone de tolérance dimensionnelle, la spécification de localisation Φ0,5 s’applique uniquement lorsque le trou de 24 mm de diamètre est à son état au minimum de matière Φ24,1. Plus le trou est petit, plus la tolérance géométrique est grande.



