État au maximum de matière (MMC)
L’état au maximum de matière est utilisé pour la conception de pièces à accoupler.
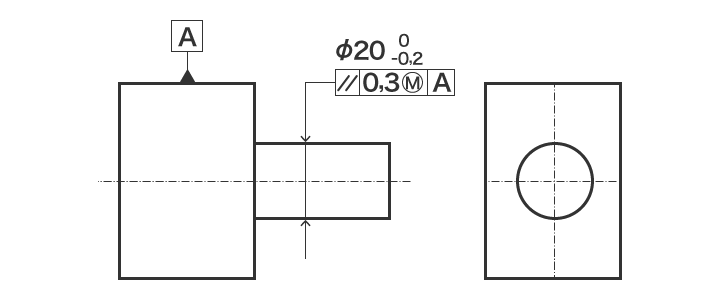
Prenons l’exemple d’un arbre conçu pour s’insérer dans un alésage, cette exigence garantit que l’arbre puisse réellement s’insérer dans l’alésage à l’état au maximum de matière (MMC), tout en prévenant l’application d’une tolérance dimensionnelle excessivement stricte.
- Qu’est-ce que ?
- Rapport aux tolérances dimensionnelles
- Exprimer l’état au maximum de matière grâce à un diagramme de tolérance dynamique
Qu’est-ce que ?
Afin d’appliquer l’exigence du maximum de matière à une dimension, inscrivez après la tolérance dimensionnelle dans le cadre de tolérance. « M » se rapporte à l’« état au maximum de matière » (MMC). Ce symbole indique l’application de l’exigence du maximum de matière.

Rapport aux tolérances dimensionnelles
L’utilisation de l’état au maximum de matière garantit le respect de la tolérance dimensionnelle. Cependant, si une tolérance dimensionnelle s’éloigne de la dimension au maximum de matière, la différence peut être ajoutée à une tolérance géométrique pour générer une dimension virtuelle.
-
État au maximum de matière

-
État virtuel

- a
- Dimension virtuelle
Exprimer l’état au maximum de matière grâce à un diagramme de tolérance dynamique
Le diagramme de tolérance dynamique est un outil permettant d’exprimer visuellement les zones de tolérance des tolérances dimensionnelle et géométrique. L’indication de la tolérance géométrique sur l’axe vertical et de la tolérance dimensionnelle sur l’axe horizontal permet de présenter simultanément les zones de tolérance dimensionnelle et géométrique. L’utilisation de l’état au maximum de matière clarifie également le bonus de tolérance applicable lorsque la tolérance géométrique augmente.

- a
- Arbre
- b
- Encastrement

- a
- Rectitude
- b
- Tolérance dimensionnelle de l’arbre
- c
- Tolérance dimensionnelle de l’alésage


