Mesurer la circularité
L’objectif d’une mesure de circularité est de vérifier l’écart entre la section circulaire d’un arbre, d’un alésage ou d’un cône et le cercle idéal.
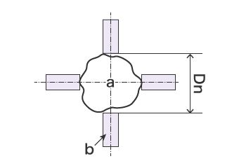
Exemple de dessin

Avec un micromètre

- a
- Cible
- b
- Broche du micromètre
Des mesures en deux points de la forme extérieure sont réalisées en la divisant en quatre à huit sections. La circularité correspond à la valeur obtenue en divisant la différence entre la valeur maximale et la valeur minimale par 2.
Le micromètre permet de prendre des mesures simplement et n’importe où.
- Circularité = (Dmax - Dmin) / 2
- Dmax : Valeur maximale
- Dmin : Valeur minimale
INCONVÉNIENTS
La précision de la mesure est limitée car la valeur est une moyenne de plusieurs mesures en deux points. De plus, des erreurs peuvent survenir en fonction du positionnement de la broche du micromètre autour de la cible. Les données obtenues doivent être saisies sur ordinateur pour analyse.
Avec une machine à mesurer tridimensionnelle (MMT)

- a
- Cible
- b
- Marbre
Pour mesurer la circularité, placez le stylet sur quatre points ou plus.
Calculée via la méthode des moindres carrés, la valeur mesurée est celle qui rend minimale la somme des carrés des écarts de tous les points de mesure.
- Écran de mesure
-

- a
- Résultat de la mesure de circularité


