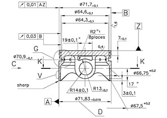
Comprendre les références spécifiées
Une référence claire est exigée pour spécifier la tolérance d’orientation, la tolérance de position et la tolérance de profil. Cette référence claire se nomme référence spécifiée. Une référence spécifiée est un élément théorique idéal, tel qu’un plan, une ligne ou un point, qui n’existe pas réellement, et c’est là toute la difficulté. Néanmoins, il est impossible de comprendre le GD&T sans maîtriser le concept de référence spécifiée.
Ce chapitre présente les caractéristiques des références spécifiées et définit les références spécifiées communes et les systèmes de références spécifiées, qui regroupent plusieurs références spécifiées.

- Principaux types d’éléments de référence
- Références spécifiées communes et systèmes de références spécifiées
- Cibles de référence


